
80Aおよび信号対応の標準品です。
内径30mm~200mmまでの6種類から選定可能です。
シンプルな構造で幅広い用途に使用できます。
■仕様
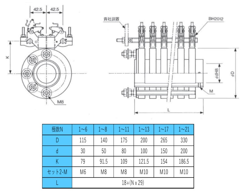
極数:1~21極※内径により最大極数が異なります
電圧:AC/DC220V以下
許容電流:80A以下,信号
許容回転数:2,000rpm
内径/外径:φ30~200/φ115~330
仕様

| 極数 | ⻑さ |
|---|---|
| 1~21 | 20(N+1) |
※CADデータのダウンロードは会員登録が必要です。

80Aおよび信号対応の標準品です。
内径30mm~200mmまでの6種類から選定可能です。
シンプルな構造で幅広い用途に使用できます。
■仕様
極数:1~21極※内径により最大極数が異なります
電圧:AC/DC220V以下
許容電流:80A以下,信号
許容回転数:2,000rpm
内径/外径:φ30~200/φ115~330

| 極数 | ⻑さ |
|---|---|
| 1~21 | 20(N+1) |
| 品番 | SRY80A |
|---|---|
| 内径 | 30~200 |
| 外径 | 115~330 |
| 最大極数 | 21 |
| 電圧 | 200V |
| 許容電流 | 1~80A |
| 信号 (歪みゲージなどアナログ信号) | |
| 熱電対(K補償導線を使用) | |
| 通信回路 | |
| 許容回転数 | 2000 |
| 回転寿命 | |
| メンテナンス周期 | |
| 回転方向 | CW-CCW インデックス |
※CADデータのダウンロードは会員登録が必要です。